Fuel Injector: Service and Repair
Injector Replacement1. Relieve fuel pressure.
2. Remove the intake manifold cover.
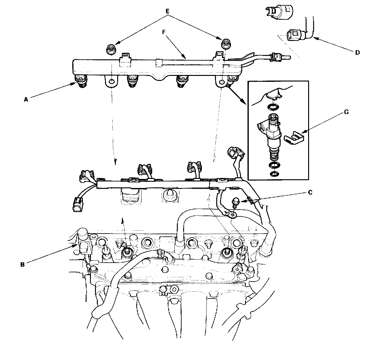
3. Disconnect the connectors from the injectors (A) and the engine mount control solenoid valve (B).

4. Remove the ground cable bolt (G101) (C).
5. Disconnect the quick-connect fittings (D).
6. Remove the fuel rail mounting nuts (E) from the fuel rail (F).
7. Remove the injector clip (G) from the injector.
8. Remove the injector from the fuel rail.

9. Coat the new O-rings (A) with clean engine oil, and insert the injectors (B) into the fuel rail (C).
10. Install the injector clip (D).
11. Coat the injector O-rings (E) with clean engine oil.
12. Install the fuel rail insulator (F), and injectors in the injector base (G).
13. Install the fuel rail mounting nuts (H) and the ground cable bolt (G101).
14. Connect the connectors on the injectors and the engine mount control solenoid valve.
15. Connect the quick-connect fitting.
16. Turn the ignition switch ON (II), but do not operate the starter. After the fuel pump runs for about 2 seconds, the fuel rail will be pressurized. Repeat this two or three times, then check for fuel leakage.