ECM/PCM Circuit Diagrams
ECM/PCM Circuit Diagram 11-40:

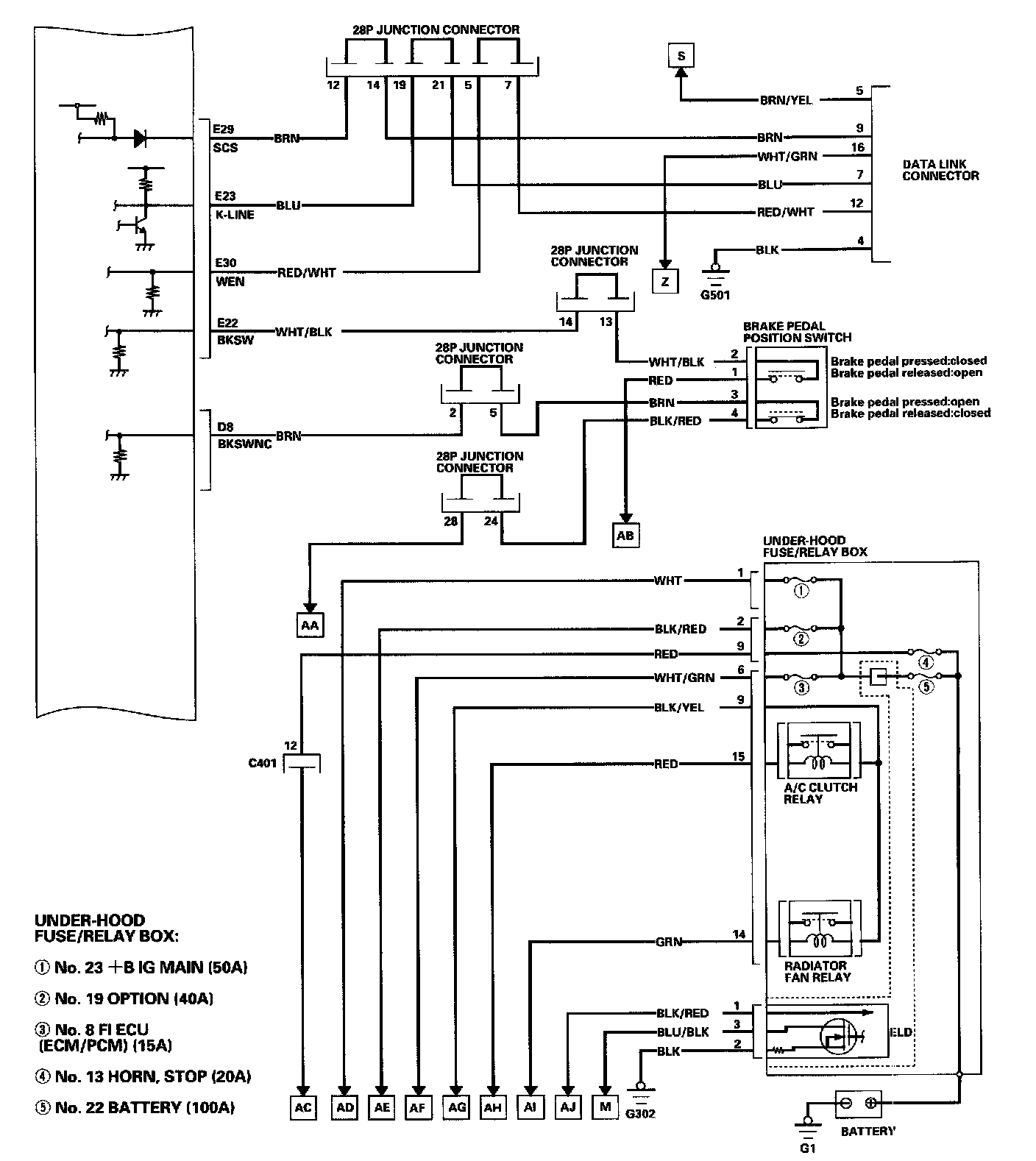
ECM/PCM Circuit Diagram 11-41:

ECM/PCM Circuit Diagram 11-42:

ECM/PCM Circuit Diagram 11-43:

ECM/PCM Circuit Diagram 11-44:

ECM/PCM Circuit Diagram 11-45:

ECM/PCM Circuit Diagram 11-46:

ECM/PCM Circuit Diagram 11-47:

ECM/PCM Circuit Diagram 11-48:

ECM/PCM Circuit Diagram 11-49:

ECM/PCM Circuit Diagram 11-50:
