Operation CHARM
: Car repair manuals for everyone.
Home
>>
Acura
>>
2004
>>
TSX L4-2.4L
>>
Repair and Diagnosis
>>
Heating and Air Conditioning
>>
Locations
Heating and Air Conditioning: Locations
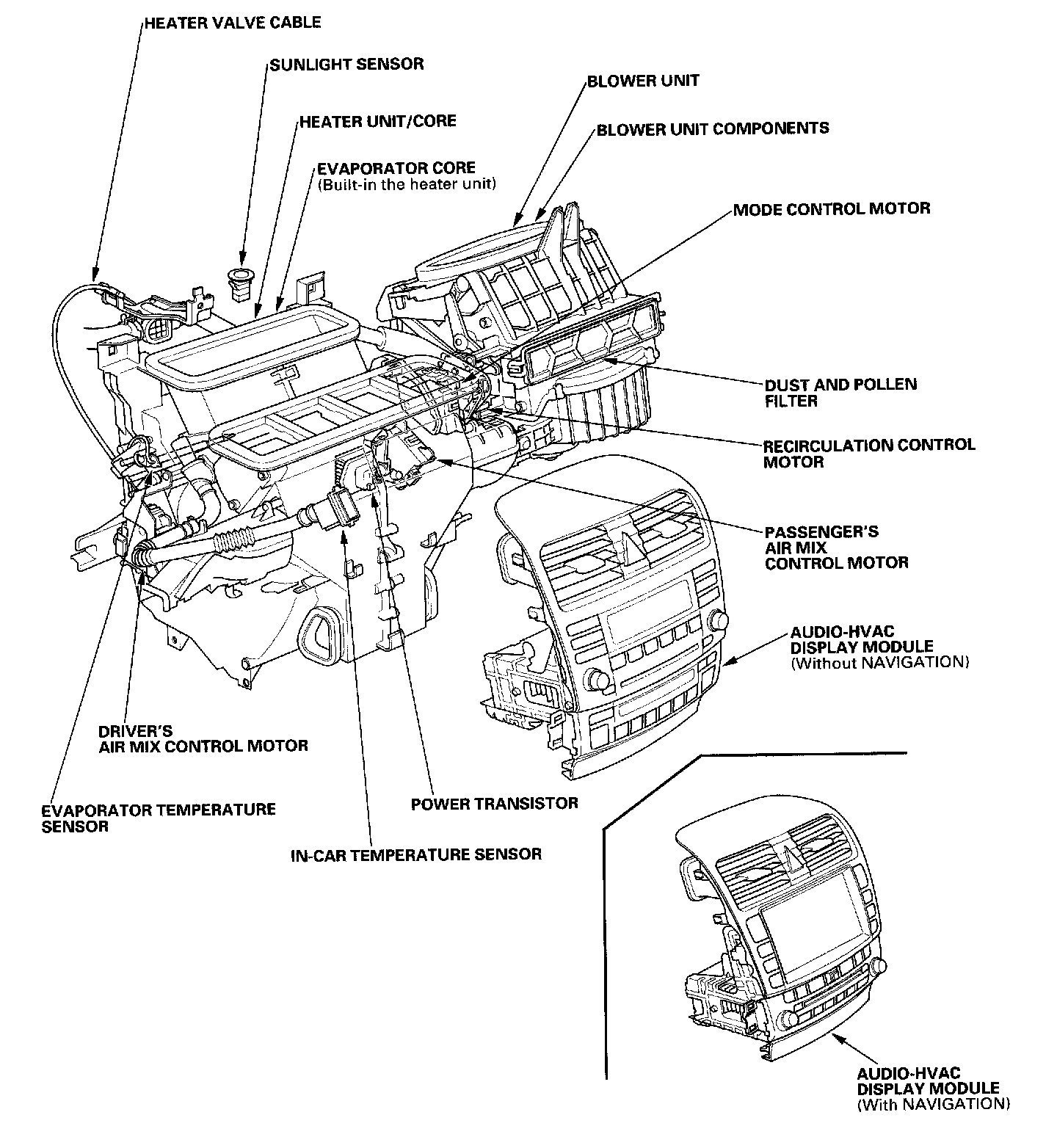
Climate Control - Component Location Index:
Climate Control - Component Location Index:
Climate Control - Component Location Index:
Relay And Control Unit Locations - Dashboard:
60. Middle Of Dash: