Engine: Service and Repair

Engine Removal
NOTE:
^ Use fender covers to avoid damaging painted surfaces.
^ To avoid damage, unplug the wiring connectors carefully while holding the connector portion.
^ Mark all wiring and hoses to avoid misconnection. Also, be sure that they do not contact other wiring or hoses, or interfere with other parts.
1. Secure the hood in the wide open position (support rod in the lower hole).
2. Make sure you have the anti-theft codes for the radio and navigation system, then write down the frequencies for the radio's preset buttons.
3. Disconnect the negative cable from the battery first, then the positive cable.
4. Remove the battery.
5. Remove the air cleaner housing.

6. Remove the harness clamps (A) and harness bracket (6).
7. Remove the two bolts (C), and loosen the two bolts (D) securing the battery base, then remove the battery base (E).

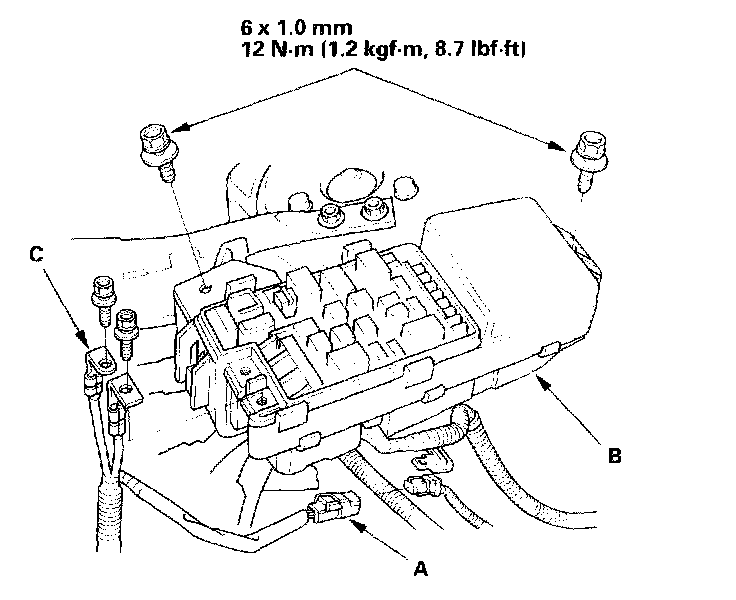
8. Remove the battery cables (A) from the under-hood fuse/relay box, then disconnect the harness connector (B).
9. Remove the two bolts (C) securing the under-hood fuse/relay box.

10. Remove the harness clamp (A) and bolt (B), then remove the strut brace (C).
11. Relieve fuel pressure.

12. Remove the quick-connect fitting cover (A), then disconnect the fuel feed hose.

13. Remove the evaporative emission (EVAP) canister hose (A) and brake booster vacuum hose (B).

14. Disconnect the Engine Control Module/Powertrain Control Module (ECM/PCM) connectors (A) and the main wire harness connectors (B).

15. Disconnect the Accelerator Pedal Position (APP) sensor connector (A).
16. Remove the harness clamps (B) and grommet (C), then pull the engine wire harness through the bulkhead.
17. Remove the clutch slave cylinder, and clutch line bracket mounting bolt (M/T).
18. Remove the shift cable and select cable (M/T).

19. Disconnect the Air Fuel ratio (A/F) sensor connector.
20. Remove the drive belt.

21. Remove the Power Steering (P/S) pump (A), and the P/S hose clamp (B) without disconnecting the P/S hoses from the pump.

22. Remove the A/C compressor without disconnecting the A/C hoses.
23. Remove the radiator cap.
24. Raise the vehicle on the hoist to full height.
25. Remove the front tires/wheels.
26. Remove the splash shield.
27. Loosen the drain plug in the radiator, and drain the engine coolant.
28. Drain the transmission fluid:
^ Manual transmission.
^ Automatic transmission.
29. Drain the engine oil.
30. Disconnect the stabilizer links.
31. Remove the damper fork.
32. Disconnect the suspension lower arm ball joints.
33. Remove the driveshafts. Coat all precision-finished surfaces with clean engine oil. Tie plastic bags over the driveshaft ends.
34. Remove the shift control cable (A/T).

35. Remove exhaust pipe A.

36. Remove the nuts securing the transmission lower front mount and transmission lower rear mount.
37. Lower the hoist.
38. Remove the Automatic Transmission Fluid (ATF) cooler hoses (A/T).

39. Remove the upper radiator hose (A) and heater hoses (B).

40. Clean any dirt off the quick connector (A), radiator, and lower radiator hose.
41. Pull out the lock (B) by hand, then wiggle the quick connector, and remove it from the radiator. Do not use any tools to remove the quick connector.

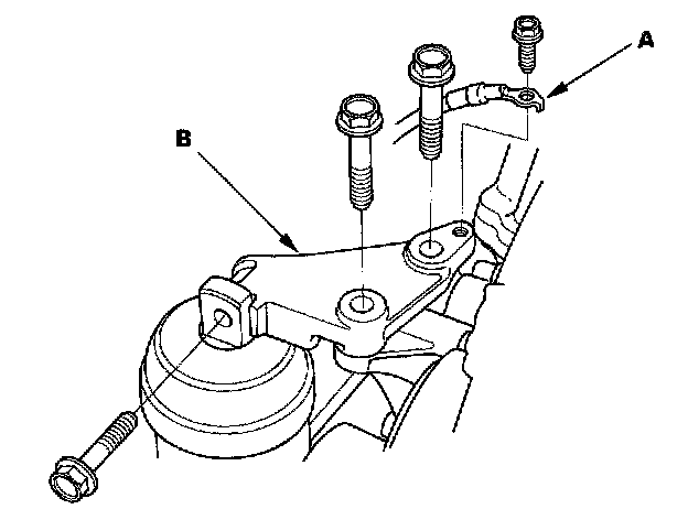
42. Remove the ground cable (A), then remove the upper bracket (B).

43. Attach a chain hoist to the engine as shown.

44. Remove the ground cable (A), then remove the transmission upper mount/bracket assembly (B) and clutch line clamp bracket (C) (M/T).

45. Remove the ground cable (A), then remove the bracket plate (B), transmission upper bracket (C) and transmission upper mount (D) (A/T).

46. Remove the vacuum hose (A) from the vacuum line. Remove the front mount stop (B) and vacuum hose clamp bracket (C), then remove the front mount bolt (D).

47. Remove the rear mount stop (A), then remove the rear mount bolt (B).
48. Check that the engine/transmission is completely free of vacuum hoses, fuel and coolant hoses, and electrical wiring.
49. Slowly raise the engine about 150 mm (6 inch). Check once again that all hoses and wire are disconnected from the engine/transmission.
50. Raise the engine and transmission assembly all the way, and remove it from the vehicle.
Engine Installation
1. Install the accessory brackets and tighten their bolts and nuts to the specified torques.
2. Install the engine and transmission assembly into position in the vehicle, then remove the engine tilt hanger set from the engine.
NOTICE: Reinstall the mounting bolts/support nuts in the sequence given. Failure to follow this sequence may cause excessive noise and vibration, and reduce bushing life.

3. Tighten the front mount bolt (A), then install the front mount stop (B) and vacuum hose clamp bracket (C). Install vacuum hose (D).

4. Tighten the rear mount bolt (A), then install the rear mount stop (B).

5. Install the upper bracket (A), then tighten the bolts in the numbered sequence shown.
6. Install the ground cable (B).

7. Loosen the transmission upper mount bolt (A), then install the transmission upper mount/bracket assembly (B), clutch line clamp bracket (C), and ground cable (D) (M/T).

8. Install the transmission upper mount (A), transmission upper bracket (B), and ground cable (C), then loosely install the transmission upper bracket plate (D) (A/T).

9. Tighten the transmission upper mount bolt (M/T).

10. Tighten the transmission upper mount bracket plate mounting bolts (A), then tighten the transmission upper mount bolt (B) (A/T).
11. Raise the vehicle on the hoist to full height.

12. Tighten the nuts securing the transmission lower front mount and transmission lower rear mount.

13. Install exhaust pipe A. Use new gaskets (B) and new self locking nuts (C).
14. Install the shift control cable (A/T).
15. Install a new set ring on the end of each driveshaft, then install the driveshafts. Make sure each ring "clicks" into place in the differential and intermediate shaft.
16. Connect the suspension lower arm ball joints.
17. Install the damper fork.
18. Connect the stabilizer links.
19. Install the splash shield.
20. Lower and remove the chain hoist from the engine.

21. Check the quick connector (A) and set ring (B) for cracks or damage. If the connector and/or set ring are cracked or damaged, replace the connector.
22. Make sure the set ring (B) is in place inside the quick connector. If the set ring is off the connector replace the quick connector.
23. Replace the O-ring (C) in the quick connector.
24. Check the lock (D). If the lock is damaged or deformed, replace it. When installing the new lock to the connector, slide it straight down along the groove.
25. Clean the connecting surface of the radiator (E), then apply clean engine coolant around the connecting surface.

26. Push down the lock (A), then push the quick connector (B) onto the radiator until you hear it click.

27. Install the upper radiator hose (A) and heater hoses (B).
28. Install the Automatic Transmission Fluid (ATF) cooler hoses (A/T).

29. Install the A/C compressor.

30. Install the Power Steering (P/S) pump (A), and the P/S hose clamp (B).
31. Install the drive belt.

32. Connect the Air Fuel ratio (A/F) sensor connector.
33. Install the select cable and shift cable (M/T).
34. Install the clutch slave cylinder and clutch line bracket mounting bolt (M/T).

35. Push the Engine Control Module/Powertrain Control Module (ECM/PCM) connectors through the bulkhead, then install the grommet (A), and harness clamps (B).
36. Connect the Accelerator Pedal Position (APP) sensor connector (C).

37. Connect the ECM/PCM connectors (A) and main wire harness connectors (B).

38. Install the evaporative emission (EVAP) canister hose (A) and brake booster vacuum hose (B).

39. Connect the fuel feed hose, then install the quick-connect fitting cover (A). Make sure the connector engages fully.

40. Install the strut brace (A), then install the harness clamp (B) and bolt (C).

41. Connect the harness connector (A).
42. Install the under-hood fuse/relay box (B), then install the battery cables (C).

43. Install the battery base (A), then install the harness clamps (B), and harness bracket (C).
44. Install the air cleaner housing.
45. Install the battery. Clean the battery posts and cable terminals with sandpaper, then assemble them and apply grease to prevent corrosion.
46. Move the shift lever to each gear, and verify that the A/T gear position indicator follows the transmission range switch (A/T).
47. Check that the transmission shifts into gear smoothly (M/T).
48. Inspect for fuel leaks. Turn the ignition switch ON (II) (do not operate the starter) so the fuel pump runs for about 2 seconds and pressurizes the fuel line. Repeat this operation two or three times, then check for fuel leakage at any point in the fuel line.
49. Refill the engine with engine oil.
50. Refill the transmission with fluid:
^ Manual transmission.
^ Automatic transmission.
51. Refill the radiator with engine coolant, and bleed air from the cooling system with the heater valve open.
52. Perform the ECM/PCM reset procedure.
53. Perform the Crankshaft Position (CKP) pattern clear/CKP pattern learn procedure.
54. Perform the Engine Control Module/Powertrain Control Module (ECM/PCM) idle learn procedure.
55. Inspect the idle speed.
56. Inspect the ignition timing.
57. Enter the anti-theft codes for the radio and the navigation system, then enter the customer's radio station presets.
58. Set the clock.