Automatic Transmission/Transaxle
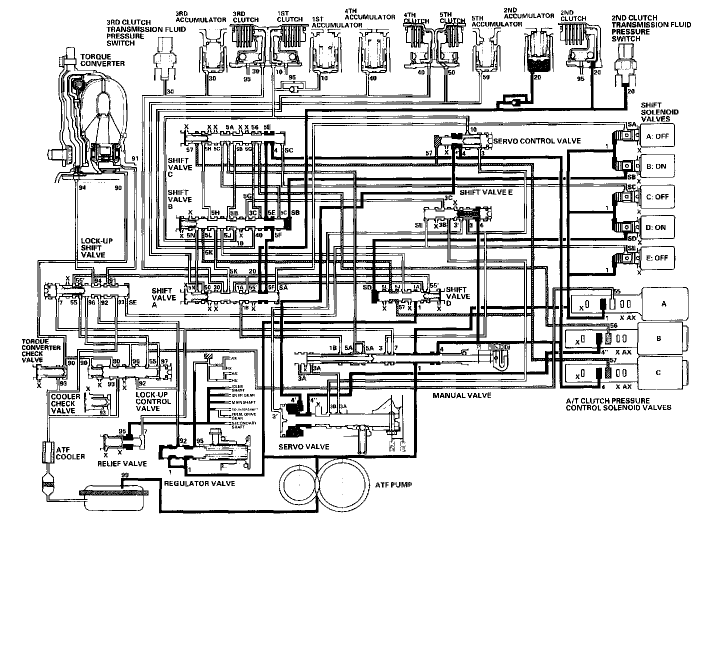
Hydraulic FlowDistribution of Hydraulic Pressure
As the engine turns, the ATF pump starts to operate. Automatic Transmission Fluid (ATF) is drawn through the ATF strainer (filter) and discharged into the hydraulic circuit. Then, ATF flowing from the ATF pump becomes line pressure that's regulated by the regulator valve. Torque converter pressure from the regulator valve enters the torque converter through the lock-up shift valve, and it is discharged from the torque converter. The torque converter check valve prevents torque converter pressure from rising.
The PCM controls the shift solenoid valves ON and OFF. The shift solenoid valve intercepts line pressure from the ATF pump via the manual valve when the shift solenoid valve is OFF. When the shift solenoid valve is turned ON, line pressure changes to shift solenoid valve pressure at the shift solenoid valve, then the solenoid valve pressure flows to the shift valve. Applying shift solenoid pressure to the shift valves moves the position of the shift valve, and switches the port of the hydraulic circuit. The PCM also controls A/T clutch pressure control solenoid valves A, B, and C. The A/T clutch pressure control solenoid valves regulate hydraulic pressure, and apply the pressure to the clutches to engage smoothly. The clutches receive optimum clutch pressure which is regulated by the A/T clutch pressure control solenoid valves for comfortable driving and shifting under all conditions.

Hydraulic pressure at the port is as shown.
[N] Position

The PCM controls the shift solenoid valves. The conditions of the shift solenoid valves and positions of the shift valves are as follows:
- Shift solenoid valve A: OFF Shift valve A stays on right side
- Shift solenoid valve B: ON Shift valve B moves to left side
- Shift solenoid valve C: ON Shift valve C moves to left side
- Shift solenoid valve D: OFF Shift valve D stays on left side
- Shift solenoid valve E: OFF Shift valve E stays on left side
Line pressure (1) flows to the shift solenoid valves and the A/T clutch pressure control solenoid valve A, and changes to A/T clutch pressure control solenoid valve A pressure (55) at the A/T clutch pressure control solenoid valve A. A/T clutch pressure control solenoid valve A pressure (55) becomes line pressure (1B) at the shift valve A, and stops at the manual valve. Under this condition, hydraulic pressure is not applied to the clutches.
NOTE: When used, "left" or "right" indicates direction on the hydraulic circuit.
[D] Position: 1st gear shifting from [N] position

Shift solenoid valves remain the same as in the [N] position, when shifting to the [D] position from [N]. The manual valve is moved to the [D] position, and switches the port of line pressure (4) leading to the A/T clutch pressure control solenoid valve C. Hydraulic pressure to the 1st clutch from the A/T clutch pressure control solenoid valve A is available as shift solenoid valve A is OFF, B and C stay ON. A/T clutch pressure control solenoid valve A pressure (55) changes to 1st clutch pressure (10) at the shift valve B, and flows to the 1st clutch. The 1st clutch is engaged gently when shifting to the [D] position from [N].
NOTE: When used, "left" or "right" indicates direction on the hydraulic circuit.
[D] Position: Driving in 1st gear

The PCM turns shift solenoid valves A ON, and keeps B and C ON, and D and E OFF. Shift solenoid valve A pressure (SA) is applied to the right side of shift valve A. Shift valve A is moved to the left side to uncover the line pressure port leading to the 1st clutch, and to cover A/T clutch pressure control solenoid valve pressure port.
Fluid flows to the 1st clutch by way of:
Line pressure (1) -> Shift valve D -> Line pressure (1A) -> Shift valve A -> Line pressure (1B) -> Manual valve Line pressure (5A) -> Shift valve C -> Line pressure (5B) -> Shift valve B -> 1st clutch pressure (10) -> 1st clutch
The 1st clutch pressure (10) is applied to the 1st clutch, and the 1st clutch is engaged securely.
NOTE: When used, "left" or "right" indicates direction on the hydraulic circuit.
[D] Position: Shifting between 1st gear and 2nd gear

As the speed of the vehicle reaches the prescribed value, the PCM turns shift solenoid valve A OFF, and keeps B and C ON, and D and E OFF. Shift solenoid valve A pressure (SA) in the right side of the shift valve A is released. Shift valve A is moved to the right side to uncover the ports of A/T clutch pressure control solenoid valve pressure leading to the 1st and 2nd clutches. The PCM controls the A/T clutch pressure control solenoid valve to regulate hydraulic pressure. A/T clutch pressure control solenoid valve A pressure (55) changes to 1st clutch pressure (10) at shift valve B, and A/T clutch pressure control solenoid valve B pressure (56) changes to 2nd clutch pressure (20) at shift valve A. The 1st and 2nd clutches are engaged gently.
NOTE: When used, "left" or "right" indicates direction on the hydraulic circuit.
[D] Position: Driving in 2nd gear

The PCM turns shift solenoid valves C OFF, D ON, and keeps A and E OFF, and B ON. Shift solenoid valve C pressure (SC) in the right side of the shift valve C is released. Shift valve C is moved to the right side to switch the ports. This movement covers A/T clutch pressure control solenoid valve pressure ports to stop at the shift valves C and A, and uncover the line pressure port leading to the 2nd clutch.
Fluid flows to 2nd clutch by way of:
Line pressure (1) -> Manual valve -> Line pressure (4) -> Shift valve C -> Line pressure (5E) -> Shift valve B -> Line pressure (5F) -> Shift valve A -> 2nd clutch pressure (20) -> 2nd clutch
The 2nd clutch pressure (20) is applied to the 2nd clutch, and the 2nd clutch is engaged securely.
NOTE: When used, "left" or "right" indicates direction on the hydraulic circuit.
[D] Position: Shifting between 2nd gear and 3rd gear

As the speed of the vehicle reaches the prescribed value, the PCM turns shift solenoid valve C ON, and keeps A and E OFF, and B and D ON. Shift solenoid valve C pressure (SC) is applied to the right side of shift valve C. Shift valve C is moved to the left side to uncover the ports of A/T clutch pressure control solenoid valves leading to the 2nd and 3rd clutches. The PCM controls the A/T clutch pressure control solenoid valves to regulate hydraulic pressure. A/T clutch pressure control solenoid valve B pressure (56) changes to 2nd clutch pressure (20) at the shift valve A, and A/T clutch pressure control solenoid valve C pressure (57) changes to 3rd clutch pressure (30) at the shift valve A. The 2nd and 3rd clutches are engaged gently.
NOTE: When used, "left" or "right" indicates direction on the hydraulic circuit.
[D] Position: Driving in 3rd gear

The PCM turns shift solenoid valves A, B, D, and E OFF, and C ON. Shift solenoid valve B pressure (SB) in the right side of shift valve B is released, and shift valve B is moved to the right side. Shift solenoid valve D pressure (SD) in the left side of the shift valve D is released, and the shift valve D is moved to the left side. This valve movement switches A/T clutch pressure control solenoid valve C pressure port leading to the 3rd clutch.
A/T clutch pressure control solenoid valve C pressure (57) changes to (5J) at the shift solenoid valve D and to (5K) at the shift valve B, and becomes 3rd clutch pressure (30) at the shift valve A. The 3rd clutch pressure (30) is applied to the 3rd clutch, and the 3rd clutch is engaged securely.
NOTE: When used, "left" or "right" indicates direction on the hydraulic circuit.
[D] Position: Shifting between 3rd gear and 4th gear

As the speed of the vehicle reaches the prescribed value, the PCM turns shift solenoid valves C OFF, and keeps A, B, D, and E OFF. Shift solenoid valve C pressure (SC) in the right side of the shift valve C is released. Shift valve C is moved to the right side to uncover the ports of A/T clutch pressure control solenoid valves B and C pressures leading to the 3rd and 4th clutches. The PCM controls the A/T clutch pressure control solenoid valves to regulate hydraulic pressure. A/T clutch pressure control solenoid valve B pressure changes to 3rd clutch pressure (30) at the shift valve A, and A/T clutch pressure control solenoid valve B pressure (56) changes to 4th clutch pressure (40) at the shift valve B. The 3rd and 4th clutches are engaged gently.
NOTE: When used, "left" or "right" indicates direction on the hydraulic circuit.
[D] Position: Driving in 4th gear

The PCM turns shift solenoid valves A ON, and keeps B, C, D, and E OFF. Shift solenoid valve A pressure (SA) is applied to the right side of shift valve A. Shift valve A is moved to the left side to cover the ports of A/T clutch pressure control solenoid valves A and C leading to the 2nd and 3rd clutches.
A/T clutch pressure control solenoid valve B pressure (56) changes to (5G) at the shift solenoid valve C, and becomes 4th clutch pressure (40) at the shift valve B. The 4th clutch pressure (40) is held to high by A/T clutch pressure control solenoid valve B, and the 4th clutch is engaged securely.
NOTE: When used, "left" or "right" indicates direction on the hydraulic circuit.
[D] Position: Shifting between 4th gear and 5th gear

As the speed of the vehicle reaches the prescribed value, the PCM turns shift solenoid valves D ON, and keeps A ON, and B, C, and E OFF. Shift solenoid valve D pressure (SD) in applied to the left side of the shift valve D. Shift valve D is moved to the right side to uncover A/T clutch pressure control solenoid valve C pressure to the 5th clutch. A/T clutch pressure control solenoid valve B pressure (56) changes to 4th clutch pressure (40) at shift valve B. A/T clutch pressure control solenoid valve C pressure (57) changes to (5L) at shift valve D and to (5N) at shift valve B, and becomes 5th clutch pressure (50) at shift valve A. The 4th and 5th clutches are engaged gently.
NOTE: When used, "left" or "right" indicates direction on the hydraulic circuit.
[D] Position: Driving in 5th gear

The PCM turns shift solenoid valves C ON, and keeps A and D ON, and B and E OFF. Shift solenoid valve C pressure (SC) is applied to the right side of shift valve C. Shift valve C is moved to the left side to switch the port of A/T clutch pressure control solenoid valve B pressure to the 4th clutch.
The 5th clutch pressure (50) is held to high by the A/T clutch pressure control solenoid valve C, and the 5th clutch is engaged securely.
NOTE: When used, "left" or "right" indicates direction on the hydraulic circuit.
[R] Position: Shifting to [R] position from [P] or [N] position

When shifting to the [R] position, the PCM turns shift solenoid valves B and E ON, and A, C, and D OFF. Shift solenoid valve B pressure (SB) is applied to the right side of the shift valve B, and the shift valve B is moved to the left side. Shift solenoid valve E pressure (SE) is applied to the left side of shift valve E, and shift valve E is moved to the right side. Line pressure (1) changes to (3) at the manual valve, and flows to the servo valve via the shift valve E. The servo valve is moved to reverse range position. Movement of the shift valves B and E, and servo valve creates 4th clutch line pressure between the 4th clutch and the A/T clutch pressure control solenoid valve A. The 4th clutch pressure (40) is applied to the 4th clutch, and the 4th clutch is engaged gently.
NOTE: When used, "left" or "right" indicates direction on the hydraulic circuit.
[R] Position: Driving in reverse gear

After starting off in reverse gear, the PCM turns shift solenoid valves A ON, and keeps B and E ON, and C and D OFF. Shift solenoid valve A port (SA) is applied to the right side of shift valve A to cover A/T clutch pressure control solenoid valve A pressure, and to uncover the port leading to the 4th clutch, creating full line pressure. The 4th clutch is engaged securely with line pressure.
Reverse Inhibitor Control
While the vehicle is moving forward, the PCM keeps shift solenoid valve E OFF. The shift valve E covers the port of line pressure (3') leading to the servo valve reverse position. The servo valve cannot be shifted to reverse position, and hydraulic pressure is not applied to 4th clutch from the servo valve for reverse; as a result, power is not transmitted to the reverse direction.
NOTE: When used, "left" or "right" indicates direction on the hydraulic circuit.
[P] Position

Shift solenoid valves B and E are turned ON, and A, C, and D turned OFF by the PCM. Line pressure (1) flows to the shift solenoid valves and the A/T clutch pressure control solenoid valve A. Line pressure (3) changes to (3') at the shift valve E, and flows to the servo valve. The servo valve is moved to reverse/park position. Hydraulic pressure is not applied to the clutches.