Operation CHARM
: Car repair manuals for everyone.
Home
>>
Acura
>>
2004
>>
TSX L4-2.4L
>>
Repair and Diagnosis
>>
Diagrams
>>
Exploded Views
>>
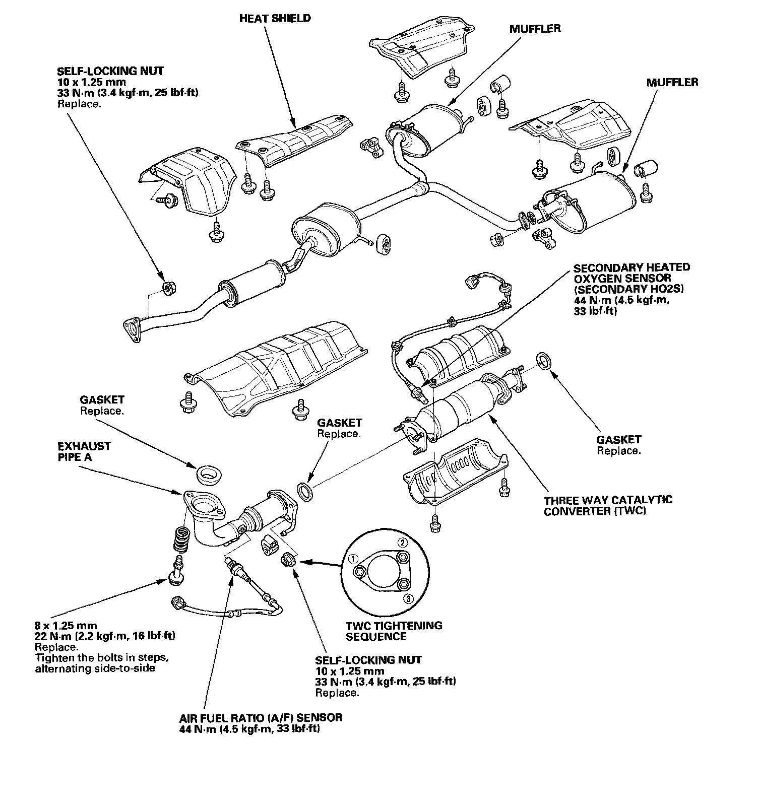
Muffler
Muffler