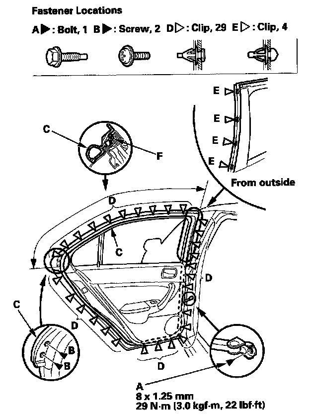
Rear Door Weatherstrip: Service and Repair
Rear Door Weatherstrip ReplacementNOTE:
- Take care not to scratch the door.
- Use a clip remover to remove the clips.

1. At the B-pillar, remove the door checker mounting bolt (A).
2. Remove the screws (B) securing the rear of the door weatherstrip (C).
3. Detach the clips (D, E), then remove the door weatherstrip.
4. Install the weatherstrip in the reverse order of removal, and note these items:
- Check for damaged or stress-whitened clips, and replace them with new ones.
- Make sure the weatherstrip is installed in the holder (F) securely.
- Apply medium strength liquid thread lock to the door checker mounting bolt before installation.
- Test-drive and check for wind noise.